Trova agenzia
Area tecnica
Contatti
Login / Registrazione sito
Chi siamo
Prodotti
Prevendita
Cataloghi
Postvendita
News & Eventi
BLOG
MENU
Chi siamo
Prodotti
Prevendita
Cataloghi
Postvendita
News & Eventi
BLOG
Trova agenzia
Area tecnica
Contatti
Login / Registrazione sito
Codice 21977
SU-W 50
Trova agenzia
Scarica documentazione
01_IT_21977_Libretti_Istruzioni_5571084499__27-02-2020_161737
Prodotti
ACCESSORI E COMPONENTI
Descrizione
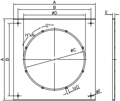
Telaio di montaggio quadrato per ventilatori MHP. Realizzato in acciaio e protetto dalla corrosione con polvere di resina poliestere
Leggi tutta la descrizione
Richiudi la descrizione
Scheda Tecnica
Dati tecnici e prestazionali
Dimensioni
Peso (Kg)
5,4
Dimensione HxN (mm)
30°x12
Dimensione Ix0 (mm)
17x11
Dimensione A (mm)
715
Dimensione B (mm)
645
Dimensione C (mm)
538
Dimensione D (mm)
560
Dimensione E (mm)
20
Dimensione F (mm)
14
Dimensione G (mm)
15
Sei interessato?
Se sei interessato a questo prodotto, contattaci oppure trova l’agenzia di vendita più vicina a te.
Contattaci
Trova agenzia
Documentazione
A tua disposizione tutta la documentazione relativa a questo prodotto: listino prezzi, libretto informativo e schema di collegamento.
Scarica documentazione
01_IT_21977_Libretti_Istruzioni_5571084499__27-02-2020_161737
Trova agenzia
Iscriviti alla Newsletter
Contattaci
×
Close
Seleziona l'Applicazione a cui vuoi accedere
WebView
WebDoc
×
Close
Seleziona tipologia listino
Quale tipologia di listino stai cercando:
Listino Elettrico
Listino Idrotermosanitario
×
Close
Seleziona tipologia agenzia
Quale tipologia di agenzia stai cercando:
Agenzia Settore Elettrico
Agenzia Settore Idrotermosanitario
×
Close
Seleziona tipologia agenzia
Quale tipologia di agenzia stai cercando:
Agenzia Settore Elettrico
Agenzia Settore Idrotermosanitario
I cookie ci aiutano a fornire i nostri servizi. Utilizzando tali servizi, accetti l'utilizzo dei cookie da parte nostra.
Info
OK