Descrizione

• Coclea realizzata in lamiera di acciaio, decapata e fosfatata, trattata con una mano di fondo di vernice epossidica; la finitura di colore grigio bucciato è ottenuta applicando una mano di vernice in polvere di poliuretano rinforzato mediante cottura in forno. Le coclee sono provviste di fori per consentire l’orientamento della bocca di mandata (LG90).
• Boccaglio di aspirazione realizzato in rame.
• Retine sulla bocca di aspirazione in filo d'acciaio zincato, decapate e fosfatate, verniciate con polvere epossidica con cottura in forno, colore nero.
• Telaio con coclea in lamiera d’acciaio verniciato, munito di forature per consentire di orientare il motore in 8 posizioni diverse rispetto alla bocca di mandata (vedere disegno allegato).
• Motore AC trifase ad 1 velocità con albero montato su supporti con cuscinetti a sfere, con doppio schermo di protezione, di taglia standard UNEL MEC B35, costruito con accorgimenti e materiali idonei all’utilizzo in ambienti ad atmosfere potenzialmente esplosive secondo le Ex Protection EN ISO 80079-36:2016; EN 14986:2017.
• Girante centrifuga in alluminio con pale avanti, con mozzo in alluminio pressofuso.
• Portata massima 2150 m3/h
• Ventola di raffreddamento in alluminio
• Coperchio motore in lamiera zincata.
• Pressacavo in metallo per la connessione elettrica.
• Grado di protezione scatola cablaggi IP65.
• Certificato IMQ per utilizzo in aree a rischio esplosione per gas e polveri :
• IMQ 10 ATEX 029 X ; GR II cat. 2G/D h T3/125 X
Leggi tutta la descrizioneRichiudi la descrizione
Accessorio_5

Scheda Tecnica

  • Corrente assorbita max (A)
    1,80
  • Frequenza (Hz)
    50
  • Grado Protezione IP
    65
  • Isolamento
    I° classe
  • Numero Fasi (Ph)
    3
  • Numero Poli
    4
  • Numero velocità
    1
  • Peso (Kg)
    17,0
  • Potenza assorbita max (W)
    803
  • Temp. ambiente max funzionamento continuativo (°C)
    + 40
  • Temperatura ambiente min funzionamento continuativo (°C)
    - 20
  • Tensione (V)
    400
  • Portata max (l/s)
    597,2
  • Portata max (m³/h)
    2150
  • Pressione max (mmH2O)
    48
  • Pressione max (Pa)
    470
  • Pressione Sonora Lp [dB (A)] 3m
    70
  • RPM
    1400
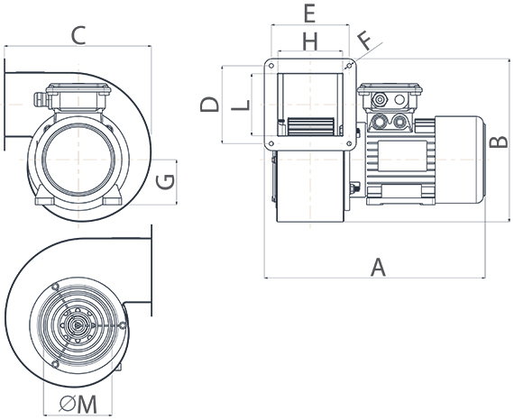
  • Dimensione A (mm)
    425
  • Dimensione B (mm)
    471
  • Dimensione C (mm)
    416,5
  • Dimensione D (mm)
    220
  • Dimensione E (mm)
    182
  • Dimensione F (mm)
    8,5
  • Dimensione G (mm)
    80
  • Dimensione H (mm)
    149
  • Dimensione L (mm)
    187
  • Dimensione M (mm)
    199
  • Dimensione N (mm)
    250
  • Dimensione O (mm)
    212
  • Dimensione P (mm)
    125
  • Dimensione Q (mm)
    154
  • Dimensione R (mm)
    100
  • Dimensione S (mm)
    125
Accessorio_6
Sei interessato?
Se sei interessato a questo prodotto, contattaci oppure trova l’agenzia di vendita più vicina a te.
I cookie ci aiutano a fornire i nostri servizi. Utilizzando tali servizi, accetti l'utilizzo dei cookie da parte nostra. Info